WASI online shop, prodaja nautičke opreme.
  • O nama
  • |
  • Wasi katalog
  • +385 01 3455 945
WASI online shop, prodaja nautičke opreme.
WASI online shop
Prijava Registracija
|
0
Vaša košarica je prazna.
  • Naslovnica
  • Proizvodi
    • AKCIJA
    • Bow thrusteri
      • Back
      • Bow thrusteri - motori
      • Oprema za bow thrustere
      • Rezervni dijelovi za bow thrustere
    • Brodska kabina i kuhinja
      • Back
      • Rasladne kutije (jacere)
      • Hladnjaci, kuhala, bojleri, sudoperi i slavine
        • Back
        • Bojleri i dijelovi
        • Hladnjaci i dijelovi
        • Kompleti sudoper/kuhalo
        • Kuhala i dijelovi
        • Sudoperi i dijelovi
      • Klime, grijači
      • Privjesci, torbice i mrežice
        • Back
        • Privjesci
        • Torbice i mrežice
      • Plinske boce i oprema
      • Posuđe
    • Hladnjaci i dijelovi
    • Elektrika
      • Back
      • Akumulatori i kleme za akumulatore
      • Generatori
      • Izolir trake
      • Kontrolne i komandne ploče
      • Osigurači, kućišta osigurača
      • Rasvjeta
        • Back
        • Lampe
        • Navigacijska svjetla i nosači
        • Reflektori
        • Žarulje
      • Senzori, davači
      • Sirene, trube
      • Sklopke, prekidači
        • Back
        • Okviri/navlake za prekidače
        • Sklopke i prekidači
      • Solarni paneli i oprema
        • Back
        • Solarni paneli
        • Kontroleri i kablovi za solarne panele
      • Utikači, utičnice, kablovi, uvodnice
      • Stopice
    • Punjači, pretvarači, izolatori
      • Back
      • Punjači
      • Pretvarači
      • Izolatori
      • Dodatna oprema Victron
    • Elektronika i navigacija
      • Back
      • Audio-video oprema
        • Back
        • Antene, nosači antena
        • Boss audio - radio prijemnici, zvučnici i pojačala
        • Zvučnici
        • Ostala oprema
      • Instrumenti, pokazivači
      • Kompasi
      • Plovci
      • Sat, barometar, termometar, higrometar
      • VHF Radio Stanice
    • Gumenjaci i oprema
      • Back
      • Cerade za plovila
      • Gumenjaci
      • Ležajevi i trake za prikolice
      • Oprema za gumenjake
      • Ručne/nožne/električne pumpe
      • Vitla za prikolice
      • Zakrpe i setovi za popravak
    • Inox galanterija
      • Back
      • Bitve i zjevače
      • Karabineri
        • Back
        • Karabineri (cink, mesing, nikal)
        • Karabineri A4
      • Koloture Inox
      • Kopče, bravice, zasuni
      • Lokoti
        • Back
        • Lokoti inox
        • Lokoti mesing
      • Okovi
        • Back
        • Okovi A2
        • Okovi A4
      • Okretaljke
      • Osigurači
      • Panti
        • Back
        • Panti (mesing/cink/nikal)
        • Panti A2
        • Panti A4
      • Rukohvati
      • Spojni elementi za cijevi
      • Sajle
      • Spojni elementi za sajle
      • Zatezači
      • Škopci
        • Back
        • Škopci A4
        • Škopci cinčani
      • U-privezi
    • Fitinzi
      • Back
      • Fitinzi mesing
        • Back
        • Čepovi
        • Ispusti
        • Koljena
        • Priključci
        • Usisi
        • Spojnice, redukcije, holenderi
        • Prstenovi, matice
      • Fitinzi inox A4
      • Fitinzi bronca
    • Održavanje plovila
      • Back
      • Cink protektori
        • Back
        • Anode za vanbrodski, unutrašnji motor i pogon
        • Anode za trup i krmeno zrcalo
        • Anode za flapsove i kormilo
        • Anode za osovinu i propeler
        • Anode za thrustere
        • Cink šipke
      • Seajet antivegetativni premazi
        • Back
        • Seajet 031 Samurai
        • Seajet 032 Professional
        • Seajet 033 Shogun
        • Seajet 034 Emperor
        • Seajet 037 Coastal
        • Seajet 039 Platinum
        • Seajet premazi za propelere
        • Seajet primeri
        • Seajet razrjeđivači
      • Seajet antivegetativni premaz za gumenjake
      • Silpar TK antivegetativni sprejevi
      • Sredstva za njegu, čišćenje i održavanje
        • Back
        • Četke i oprema za čišćenje
        • Pribor za održavanje
        • Kistovi i valjci
        • Reparacijski kitovi/ljepila
        • Sakupljači vlage
        • Sredstva za čišćenje i održavanje
        • Sredstva za njegu gumenjaka
        • Sredstva za poliranje i brušenje
        • Sredstva za sanitarije
        • Sredstva za tikovinu
        • Sredstva za vodu
      • Ulja i maziva
        • Back
        • Maziva
        • Motorna ulja
        • Ulje za petu motora
      • Hempel premazi, lakovi, razrjeđivači
    • Oprema za jedrilice
      • Back
      • Dodaci za vitla
      • Konopi
        • Back
        • Elastični konopi sa zakačkama
        • Elastični konopi za vezivanje
      • Igle za šivanje
      • Koloture
      • Konac
      • Razno za jedrilice
      • Rukavice
      • Stoperi
    • Oprema za spašavanje i sigurnost
      • Back
      • CO2 punjenja
      • Dalekozori
      • Nautička pomagala
      • Olujna sidra
      • Pojas/kolut
        • Back
        • Koluti, prsluci i pojasevi
        • Nosači koluta
        • Signalne lampe i ručne baterije
      • Signalni paneli/radar reflektori
      • Splavi za spašavanje
      • Termo vreće
      • Trake i naljepnice za obilježavanje
      • Vatrogasni aparati
      • Zastave i nosači
        • Back
        • Nosači zastava
        • Zastave
      • Zviždaljke/ručne trube/zvona/prva pomoć
    • Palubna oprema
      • Back
      • Amortizeri
      • Brisači
      • Čepovi - drveni/gumeni/pvc
      • Inspekcijski otvori i poklopci
      • Kutije/spremnici
      • Mreža za ograde
      • Ostala oprema
      • Podizači
      • Poli-wood
      • Prozori
        • Back
        • Bočni otvori
        • Palubni otvori
        • Rezervni dijelovi
      • Rashladne kutije (jacere)
      • Stolice i stolovi
        • Back
        • Jastuci
        • Podnožja/baze/mehanizmi
        • Radne plohe
        • Stolovi
        • Stolice
      • Tende, cerade, tenax i tomax kopče
        • Back
        • Kopče inox
        • Kopče mesing, niklane
        • Kopče pvc
        • Spojnice/nosači/baze za tendu
        • Tende
      • Vesla, čaklje (teleskopi), nosači štapova za pecanje
        • Back
        • Čaklje
        • Nosači štapova za pecanje
        • Oprema za vesla
        • Vesla
    • Sidrenje i privez
      • Back
      • Bokobrani
        • Back
        • Bokobran A serija
        • Bokobran F serija
        • Bokobran G serija
        • Bokobran navlake
        • Bokobran nosači
        • Bokobran pramčani
        • Heavy duty bokobrani
      • Bokoštitnice
        • Back
        • Završeci i pokrovi za spojeve
        • Nosač bokoštitnice
        • Razni profili
      • Konopi i oprema za konope
        • Back
        • Jezgre za uplitanje (radanča) i ostala oprema
        • Konopi
        • Opruge/amortizeri za konope
      • Lanci
        • Back
        • Inox
        • Lanci željezni
        • Spojnice/markeri
        • Toplo cinčani
      • Kopče
      • Sidrena vitla
        • Back
        • Kompleti sidrena vitla
        • Oprema sidrena vitla
      • Sidrenje
        • Back
        • Dodatna oprema
        • Pasarele
        • Platforme
        • Plutače/bove
        • Sidra
        • Spojni elementi/nosači
        • Stepenice
        • Vodilice
    • Konopi
    • Sustav motora i upravljanja
      • Back
      • Flapsovi
      • Gorivo
        • Back
        • Crijeva
        • Dijelovi za rezervoare
        • Filteri goriva/ulja
        • Plovci i pokazivači za gorivo
        • Kanisteri
        • Priključci i odzračnici
        • Pumpe za gorivo
        • Tankovi za gorivo
        • Uljevi za gorivo/vodu
      • Hidrauličko upravljanje
        • Back
        • Hidraulika cilindri
        • Hidraulika kompleti
        • Hidraulika crijeva i priključci
        • Hidraulika pumpe
        • Hidraulika ulje
      • Ispušni sistemi
        • Back
        • Crijeva
        • Ispušne rozete
        • Ispušni lonci, prigušivači, separatori
      • Izolacije
      • Mehaničko upravljanje
        • Back
        • Komande
        • Manžete i bužiri
        • Mehanizmi za upravljanje (Puž)
        • Priključci, adapteri i držači za sajle
        • Sajle B14, gas/choke/release
        • Sajle za gas i kopču
        • Sajle za upravljanje (Puž)
      • Prirubnice, brtve, glavčine i ležajevi
        • Back
        • Brtve pumpi
        • Ležajevi
        • Odrivni ležaj/prirubnice
        • Osovine
      • Unutarnji motori
        • Back
        • Dijelovi za unutarnje motore
        • Nosači za unutarnje motore
        • Unutarnji motori - setovi
        • Filteri za usis mora
      • Vanbrodski motori
        • Back
        • Boje u spreju za vanbrodske motore
        • Dodaci za vanbrodske motore
        • Kompleti vanbrodskih motora
        • Navlake za vanbrodske motore
        • Nosači i kolica za vanbrodske motore
        • Podloge za vanbrodske motore
        • Propeleri za vanbrodske motore
        • Sredstva za konzerviranje vanbrodskih motora
      • Ventilacija
        • Back
        • Crijeva za ventilaciju
        • Ventilatori 12/24V
        • Vjetrolovke, rozete, zračni otvori
      • Volani/kormila
    • Voda i sanitarije
      • Back
      • Ventili
        • Back
        • Ventili PVC
        • Ventili mesing
        • Ventili inox A4
        • Ventili bronca
      • Pumpe
        • Back
        • Kaljužne (bilge) pumpe
        • Pumpe za vodu (tlačne)
        • Sanitarne pumpe
        • Pumpe za pretakanje (ulje, voda, gorivo)
        • Pumpe za tuš i sudoper
        • Pumpe za pranje palube (washdown)
        • Impelerske pumpe (self priming)
        • Pumpe za ozračivanje spremnika (aerator)
        • Centrifugalne pumpe
        • Dodatna oprema i rezervni dijelovi za pumpe
      • Crijeva i obujmice
        • Back
        • Crijeva za sanitarije
        • Crijeva za vodu
        • Obujmice
      • Ekspanzivne posude
      • Filteri vode
      • Ispusti, priključci, odušci, redukcije
        • Back
        • PVC Ispusti
        • PVC Odušci
        • PVC Priključci za rezervoare
        • PVC Redukcije
      • Kante, lijevci
      • Priključci za vodu
      • Plovci i impeleri
        • Back
        • Impeleri
        • Plovci i pokazivači za vodu
      • Sanitarni sistemi
        • Back
        • Dijelovi za toalete
        • Električni toaleti
        • Ručni toaleti
        • Sanitarne pumpe
        • Sanitarni filteri
        • Sanitarni priključci
        • Sanitarni tankovi
      • Tankovi za vodu
      • Tuševi
    • Zabava na vodi
      • Back
      • Prsluci, odijela i kacige za sportove na vodi
      • Skije i wakeboardi
      • Vodootporne torbe
      • SUP daske
        • Back
        • Dodatna oprema za SUP
        • SUP
      • Tube za vuču
      • Konopi za vuču
  • Brendovi
    • Back
    • 3M
    • Adriatic mooring
    • Ancor
    • Atlantic Man
    • Autoterm
    • Bada
    • Barton
    • Bifanuo
    • Blossom
    • BOSS audio
    • Svi brandovi
  • Lokacije
  • O nama
  • Kontakt
  • Naslovnica
  • Proizvodi
    • AKCIJA
    • Bow thrusteri
      • Back
      • Bow thrusteri - motori
      • Oprema za bow thrustere
      • Rezervni dijelovi za bow thrustere
    • Brodska kabina i kuhinja
      • Back
      • Rasladne kutije (jacere)
      • Hladnjaci, kuhala, bojleri, sudoperi i slavine
        • Back
        • Bojleri i dijelovi
        • Hladnjaci i dijelovi
        • Kompleti sudoper/kuhalo
        • Kuhala i dijelovi
        • Sudoperi i dijelovi
      • Klime, grijači
      • Privjesci, torbice i mrežice
        • Back
        • Privjesci
        • Torbice i mrežice
      • Plinske boce i oprema
      • Posuđe
    • Hladnjaci i dijelovi
    • Elektrika
      • Back
      • Akumulatori i kleme za akumulatore
      • Generatori
      • Izolir trake
      • Kontrolne i komandne ploče
      • Osigurači, kućišta osigurača
      • Rasvjeta
        • Back
        • Lampe
        • Navigacijska svjetla i nosači
        • Reflektori
        • Žarulje
      • Senzori, davači
      • Sirene, trube
      • Sklopke, prekidači
        • Back
        • Okviri/navlake za prekidače
        • Sklopke i prekidači
      • Solarni paneli i oprema
        • Back
        • Solarni paneli
        • Kontroleri i kablovi za solarne panele
      • Utikači, utičnice, kablovi, uvodnice
      • Stopice
    • Punjači, pretvarači, izolatori
      • Back
      • Punjači
      • Pretvarači
      • Izolatori
      • Dodatna oprema Victron
    • Elektronika i navigacija
      • Back
      • Audio-video oprema
        • Back
        • Antene, nosači antena
        • Boss audio - radio prijemnici, zvučnici i pojačala
        • Zvučnici
        • Ostala oprema
      • Instrumenti, pokazivači
      • Kompasi
      • Plovci
      • Sat, barometar, termometar, higrometar
      • VHF Radio Stanice
    • Gumenjaci i oprema
      • Back
      • Cerade za plovila
      • Gumenjaci
      • Ležajevi i trake za prikolice
      • Oprema za gumenjake
      • Ručne/nožne/električne pumpe
      • Vitla za prikolice
      • Zakrpe i setovi za popravak
    • Inox galanterija
      • Back
      • Bitve i zjevače
      • Karabineri
        • Back
        • Karabineri (cink, mesing, nikal)
        • Karabineri A4
      • Koloture Inox
      • Kopče, bravice, zasuni
      • Lokoti
        • Back
        • Lokoti inox
        • Lokoti mesing
      • Okovi
        • Back
        • Okovi A2
        • Okovi A4
      • Okretaljke
      • Osigurači
      • Panti
        • Back
        • Panti (mesing/cink/nikal)
        • Panti A2
        • Panti A4
      • Rukohvati
      • Spojni elementi za cijevi
      • Sajle
      • Spojni elementi za sajle
      • Zatezači
      • Škopci
        • Back
        • Škopci A4
        • Škopci cinčani
      • U-privezi
    • Fitinzi
      • Back
      • Fitinzi mesing
        • Back
        • Čepovi
        • Ispusti
        • Koljena
        • Priključci
        • Usisi
        • Spojnice, redukcije, holenderi
        • Prstenovi, matice
      • Fitinzi inox A4
      • Fitinzi bronca
    • Održavanje plovila
      • Back
      • Cink protektori
        • Back
        • Anode za vanbrodski, unutrašnji motor i pogon
        • Anode za trup i krmeno zrcalo
        • Anode za flapsove i kormilo
        • Anode za osovinu i propeler
        • Anode za thrustere
        • Cink šipke
      • Seajet antivegetativni premazi
        • Back
        • Seajet 031 Samurai
        • Seajet 032 Professional
        • Seajet 033 Shogun
        • Seajet 034 Emperor
        • Seajet 037 Coastal
        • Seajet 039 Platinum
        • Seajet premazi za propelere
        • Seajet primeri
        • Seajet razrjeđivači
      • Seajet antivegetativni premaz za gumenjake
      • Silpar TK antivegetativni sprejevi
      • Sredstva za njegu, čišćenje i održavanje
        • Back
        • Četke i oprema za čišćenje
        • Pribor za održavanje
        • Kistovi i valjci
        • Reparacijski kitovi/ljepila
        • Sakupljači vlage
        • Sredstva za čišćenje i održavanje
        • Sredstva za njegu gumenjaka
        • Sredstva za poliranje i brušenje
        • Sredstva za sanitarije
        • Sredstva za tikovinu
        • Sredstva za vodu
      • Ulja i maziva
        • Back
        • Maziva
        • Motorna ulja
        • Ulje za petu motora
      • Hempel premazi, lakovi, razrjeđivači
    • Oprema za jedrilice
      • Back
      • Dodaci za vitla
      • Konopi
        • Back
        • Elastični konopi sa zakačkama
        • Elastični konopi za vezivanje
      • Igle za šivanje
      • Koloture
      • Konac
      • Razno za jedrilice
      • Rukavice
      • Stoperi
    • Oprema za spašavanje i sigurnost
      • Back
      • CO2 punjenja
      • Dalekozori
      • Nautička pomagala
      • Olujna sidra
      • Pojas/kolut
        • Back
        • Koluti, prsluci i pojasevi
        • Nosači koluta
        • Signalne lampe i ručne baterije
      • Signalni paneli/radar reflektori
      • Splavi za spašavanje
      • Termo vreće
      • Trake i naljepnice za obilježavanje
      • Vatrogasni aparati
      • Zastave i nosači
        • Back
        • Nosači zastava
        • Zastave
      • Zviždaljke/ručne trube/zvona/prva pomoć
    • Palubna oprema
      • Back
      • Amortizeri
      • Brisači
      • Čepovi - drveni/gumeni/pvc
      • Inspekcijski otvori i poklopci
      • Kutije/spremnici
      • Mreža za ograde
      • Ostala oprema
      • Podizači
      • Poli-wood
      • Prozori
        • Back
        • Bočni otvori
        • Palubni otvori
        • Rezervni dijelovi
      • Rashladne kutije (jacere)
      • Stolice i stolovi
        • Back
        • Jastuci
        • Podnožja/baze/mehanizmi
        • Radne plohe
        • Stolovi
        • Stolice
      • Tende, cerade, tenax i tomax kopče
        • Back
        • Kopče inox
        • Kopče mesing, niklane
        • Kopče pvc
        • Spojnice/nosači/baze za tendu
        • Tende
      • Vesla, čaklje (teleskopi), nosači štapova za pecanje
        • Back
        • Čaklje
        • Nosači štapova za pecanje
        • Oprema za vesla
        • Vesla
    • Sidrenje i privez
      • Back
      • Bokobrani
        • Back
        • Bokobran A serija
        • Bokobran F serija
        • Bokobran G serija
        • Bokobran navlake
        • Bokobran nosači
        • Bokobran pramčani
        • Heavy duty bokobrani
      • Bokoštitnice
        • Back
        • Završeci i pokrovi za spojeve
        • Nosač bokoštitnice
        • Razni profili
      • Konopi i oprema za konope
        • Back
        • Jezgre za uplitanje (radanča) i ostala oprema
        • Konopi
        • Opruge/amortizeri za konope
      • Lanci
        • Back
        • Inox
        • Lanci željezni
        • Spojnice/markeri
        • Toplo cinčani
      • Kopče
      • Sidrena vitla
        • Back
        • Kompleti sidrena vitla
        • Oprema sidrena vitla
      • Sidrenje
        • Back
        • Dodatna oprema
        • Pasarele
        • Platforme
        • Plutače/bove
        • Sidra
        • Spojni elementi/nosači
        • Stepenice
        • Vodilice
    • Konopi
    • Sustav motora i upravljanja
      • Back
      • Flapsovi
      • Gorivo
        • Back
        • Crijeva
        • Dijelovi za rezervoare
        • Filteri goriva/ulja
        • Plovci i pokazivači za gorivo
        • Kanisteri
        • Priključci i odzračnici
        • Pumpe za gorivo
        • Tankovi za gorivo
        • Uljevi za gorivo/vodu
      • Hidrauličko upravljanje
        • Back
        • Hidraulika cilindri
        • Hidraulika kompleti
        • Hidraulika crijeva i priključci
        • Hidraulika pumpe
        • Hidraulika ulje
      • Ispušni sistemi
        • Back
        • Crijeva
        • Ispušne rozete
        • Ispušni lonci, prigušivači, separatori
      • Izolacije
      • Mehaničko upravljanje
        • Back
        • Komande
        • Manžete i bužiri
        • Mehanizmi za upravljanje (Puž)
        • Priključci, adapteri i držači za sajle
        • Sajle B14, gas/choke/release
        • Sajle za gas i kopču
        • Sajle za upravljanje (Puž)
      • Prirubnice, brtve, glavčine i ležajevi
        • Back
        • Brtve pumpi
        • Ležajevi
        • Odrivni ležaj/prirubnice
        • Osovine
      • Unutarnji motori
        • Back
        • Dijelovi za unutarnje motore
        • Nosači za unutarnje motore
        • Unutarnji motori - setovi
        • Filteri za usis mora
      • Vanbrodski motori
        • Back
        • Boje u spreju za vanbrodske motore
        • Dodaci za vanbrodske motore
        • Kompleti vanbrodskih motora
        • Navlake za vanbrodske motore
        • Nosači i kolica za vanbrodske motore
        • Podloge za vanbrodske motore
        • Propeleri za vanbrodske motore
        • Sredstva za konzerviranje vanbrodskih motora
      • Ventilacija
        • Back
        • Crijeva za ventilaciju
        • Ventilatori 12/24V
        • Vjetrolovke, rozete, zračni otvori
      • Volani/kormila
    • Voda i sanitarije
      • Back
      • Ventili
        • Back
        • Ventili PVC
        • Ventili mesing
        • Ventili inox A4
        • Ventili bronca
      • Pumpe
        • Back
        • Kaljužne (bilge) pumpe
        • Pumpe za vodu (tlačne)
        • Sanitarne pumpe
        • Pumpe za pretakanje (ulje, voda, gorivo)
        • Pumpe za tuš i sudoper
        • Pumpe za pranje palube (washdown)
        • Impelerske pumpe (self priming)
        • Pumpe za ozračivanje spremnika (aerator)
        • Centrifugalne pumpe
        • Dodatna oprema i rezervni dijelovi za pumpe
      • Crijeva i obujmice
        • Back
        • Crijeva za sanitarije
        • Crijeva za vodu
        • Obujmice
      • Ekspanzivne posude
      • Filteri vode
      • Ispusti, priključci, odušci, redukcije
        • Back
        • PVC Ispusti
        • PVC Odušci
        • PVC Priključci za rezervoare
        • PVC Redukcije
      • Kante, lijevci
      • Priključci za vodu
      • Plovci i impeleri
        • Back
        • Impeleri
        • Plovci i pokazivači za vodu
      • Sanitarni sistemi
        • Back
        • Dijelovi za toalete
        • Električni toaleti
        • Ručni toaleti
        • Sanitarne pumpe
        • Sanitarni filteri
        • Sanitarni priključci
        • Sanitarni tankovi
      • Tankovi za vodu
      • Tuševi
    • Zabava na vodi
      • Back
      • Prsluci, odijela i kacige za sportove na vodi
      • Skije i wakeboardi
      • Vodootporne torbe
      • SUP daske
        • Back
        • Dodatna oprema za SUP
        • SUP
      • Tube za vuču
      • Konopi za vuču
  • Brendovi
    • Back
    • 3M
    • Adriatic mooring
    • Ancor
    • Atlantic Man
    • Autoterm
    • Bada
    • Barton
    • Bifanuo
    • Blossom
    • BOSS audio
    • Svi brandovi
  • Lokacije
  • O nama
  • Kontakt
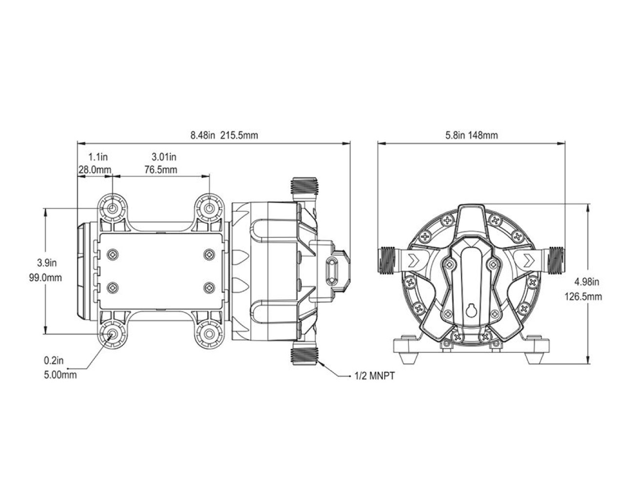
Slika Pumpa za vodu s promjenjivom brzinom 12V, 18.9LPM-5.0GPM, 70PSI-4.8BAR [SFDP1-050-070-56 C]
Slika Pumpa za vodu s promjenjivom brzinom 12V, 18.9LPM-5.0GPM, 70PSI-4.8BAR [SFDP1-050-070-56 C] Slika Pumpa za vodu s promjenjivom brzinom 12V, 18.9LPM-5.0GPM, 70PSI-4.8BAR [SFDP1-050-070-56 C] Slika Pumpa za vodu s promjenjivom brzinom 12V, 18.9LPM-5.0GPM, 70PSI-4.8BAR [SFDP1-050-070-56 C] Slika Pumpa za vodu s promjenjivom brzinom 12V, 18.9LPM-5.0GPM, 70PSI-4.8BAR [SFDP1-050-070-56 C] Slika Pumpa za vodu s promjenjivom brzinom 12V, 18.9LPM-5.0GPM, 70PSI-4.8BAR [SFDP1-050-070-56 C] Slika Pumpa za vodu s promjenjivom brzinom 12V, 18.9LPM-5.0GPM, 70PSI-4.8BAR [SFDP1-050-070-56 C]
Slika Pumpa za vodu s promjenjivom brzinom 12V, 18.9LPM-5.0GPM, 70PSI-4.8BAR [SFDP1-050-070-56 C]
Slika Pumpa za vodu s promjenjivom brzinom 12V, 18.9LPM-5.0GPM, 70PSI-4.8BAR [SFDP1-050-070-56 C]
Slika Pumpa za vodu s promjenjivom brzinom 12V, 18.9LPM-5.0GPM, 70PSI-4.8BAR [SFDP1-050-070-56 C]
Slika Pumpa za vodu s promjenjivom brzinom 12V, 18.9LPM-5.0GPM, 70PSI-4.8BAR [SFDP1-050-070-56 C]
Slika Pumpa za vodu s promjenjivom brzinom 12V, 18.9LPM-5.0GPM, 70PSI-4.8BAR [SFDP1-050-070-56 C]
Slika Pumpa za vodu s promjenjivom brzinom 12V, 18.9LPM-5.0GPM, 70PSI-4.8BAR [SFDP1-050-070-56 C]
Slika Pumpa za vodu s promjenjivom brzinom 12V, 18.9LPM-5.0GPM, 70PSI-4.8BAR [SFDP1-050-070-56 C]
  • Naslovna
  • Voda i sanitarije
  • Pumpe
  • Pumpe za vodu (tlačne)
  • Pumpa za vodu s promjenjivom brzinom 12V, 18.9LPM-5.0GPM, 70PSI-4.8BAR [SFDP1-050-070-56 C]
Šifra: SFDP105007056

Pumpa za vodu s promjenjivom brzinom 12V, 18.9LPM-5.0GPM, 70PSI-4.8BAR [SFDP1-050-070-56 C]

Proizvođač: Seaflo
Dostupnost: Na zalihi
270,00 €
Napon: 12V
Jedinična mjera: Komad
Vrijeme isporuke unutar Hrvatske: 3-6 dana

Dostupnost po trgovinama

Lokacije
Dostupnost
Centralno skladište
Nema na zalihi
Dubrovnik
1
Pula (Marina Veruda)
1
  • Opis proizvoda
  • Kontakt

SEAFLO pumpe s promjenjivom brzinom nude se u modelima s 5 komora. Ove pumpe omogućuju konstantan tlak na više izlaza putem integriranih elektroničkih kontrola. Eliminira potrebu za tlačnim spremnicima i tlačnim prekidačima. Naša tehnologija dijafragme s 5 komora i bypassa smanjuje cikličko uključivanje i isključivanje i smanjuje buku. Prekidač na zahtjev, precizna kontrola tlaka, stabilne performanse, nizak početni tlak, dobro odvođenje topline koje će zadovoljiti vaše posebne zahtjeve s pozitivnim predvidljivim performansama.

  • Otvoreni protok: 5GPM / 18,9LPM
  • Napon: 12V
  • Maksimalna struja: 10A
  • Tlak zatvaranja: 70PSI / 4,8BAR
*
*
*
WASI online shop
Web kupnja
  • Reklamacije i povrat robe
  • Dostava i načini plaćanja
  • Zaštita privatnosti
  • Uvjeti korištenja
  • Sigurnost plaćanja
  • Izjava o konverziji
Wasi d.o.o.
  • Franje Lučića 32
  • 10 000 Zagreb
  • T: +385 1 3455 945
  • M: info@wasi.hr
Info
  • Nedavno pregledani proizvodi
  • Popis za usporedbu proizvoda
  • O nama
  • Kontakt
  • Aircash
  • VISA
  • VISA SECURE
  • DINERS
  • DISCOVER
  • WSPAY
  • MAESTRO
  • MASTERCARD
  • MASTERCARD SECURE
  • MONRI
Autorska prava; 2026 WASI online shop. Sva prava pridržana.
Izrada web shopa Sistemi.hr
|
Dizajn Unilink
Powered by nopCommerce